mp3- Soundmodul MSM2:
![]() |
|
Schaltplan
![]() |
![]() |
|
| Schaltplan | ||
![]() |
||
![]() |
![]() |
|
Programmierung mit NXT-G:
www.teamhassenplug.org |
| Bsp: Sound1 wird abgespielt |
| Bsp: Playliste0 wird abgespielt |
Adresse festlegen:
| PCF8574 | ||||||||
| fester Bereich | variabler Bereich | |||||||
| 0 | 1 | 0 | 0 | A2 | A1 | A0 | R/W | Adresse |
| 7 | 6 | 5 | 4 | 3 | 2 | 1 | 0 | Bit |
| 128 | 64 | 32 | 16 | 8 | 4 | 2 | 1 | Dezimal |
| immer Dez.64 |
Ax an Masse -> Binär 0 Ax an VDD -> Binär 1 |
0 | ||||||
| Bsp.: A0 an VDD; A1 u. A2 an Masse | ||||||||
| 0 | 1 | 0 | 0 | 0 | 0 | 1 | 0 | Binär |
| 128 | 64 | 32 | 16 | 8 | 4 | 2 | 1 | Dezimal |
| Adresse = 64 + 2 = 66 | ||||||||
WValue festlegen (Sound/ Playliste)
| Adresse: 70 | Adresse: 66 | |||||||||
| Sound10 | Sound9 | Sound8 | Sound7 | Sound6 | Sound5 | Sound4 | Sound3 | Sound2 | Sound1 | |
| Playliste9 | Playliste8 | Playliste7 | Playliste6 | Playliste5 | Playliste4 | Playliste3 | Playliste2 | Playliste1 | Playliste0 | |
| 1 | 0 | 7 | 6 | 5 | 4 | 3 | 2 | 1 | 0 | Bit |
| 2 | 1 | 128 | 64 | 32 | 16 | 8 | 4 | 2 | 1 | Dezimal |
| Sound: Sound1: Value=1 nach 0,5sec. Value=0 Sound2: Value=2 nach 0,5sec. Value=0 usw. |
Playliste: Playliste0: Value=1 nach 2,5sec. Value=0 Playliste1: Value=2 nach 2,5sec. Value=0 usw. |
|||||||||
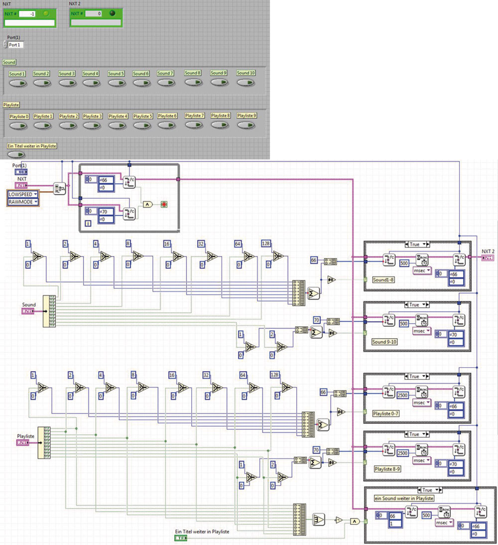
Programmierung mit LabVIEW:
Direkt- Modus
| Sub-VI |
| Bsp: Sound1 wird abgespielt |
| VI |
| Bsp: Playliste2 wird abgespielt. Nach 10 Sekunden wird von Titel eins zu Titel zwei in Playliste2 gesprungen. Nach 10 Sekunden wird Playliste2 gestoppt. |
| VI |
Ich kann keinerlei Haftung für die Schaltungen übernehmen und auch keine Funktionsfähigkeit garantieren. Der Nachbau und Einsatz der hier veröffentlichten Schaltungen erfolgt auf eigene Gefahr. Ich übernehme keinerlei Garantie. Die VDE-Vorschriften sind zu beachten.






