Tasterfeld:
![]() |
![]() |
|
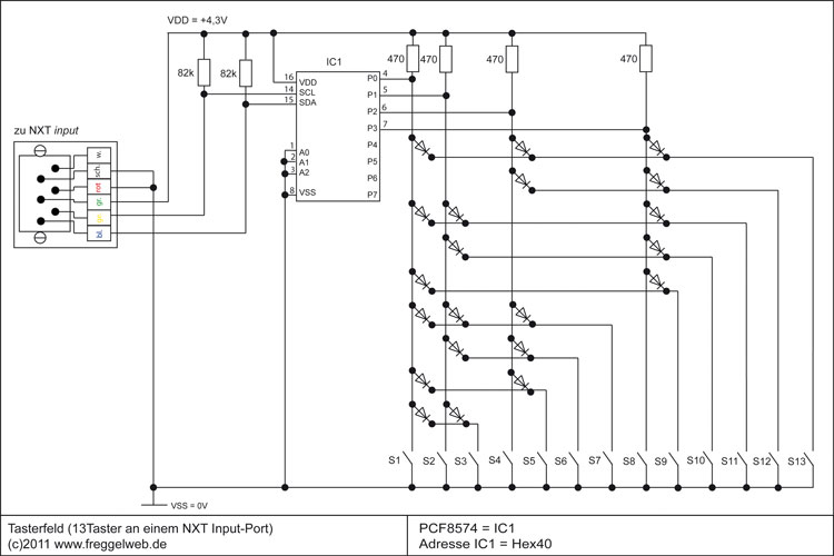
Schaltplan
![]() |
Programmierung mit NXT-G:
| Bsp:
Beim betätigen der Taste 0-9 wird der Wert auf dem NXT- Display angezeigt. Download Beipielprogramm (nxt-g v2.0) Download I2C- Block: www.quantumtorque.com www.teamhassenplug.org "IIC_Read" in NXT-G importieren |
Addresse:
| PCF8574 | ||||||||
| fester Bereich | variabler Bereich | |||||||
| 0 | 1 | 0 | 0 | A2 | A1 | A0 | R/W | Adresse |
| 7 | 6 | 5 | 4 | 3 | 2 | 1 | 0 | Bit |
| 128 | 64 | 32 | 16 | 8 | 4 | 2 | 1 | Dezimal |
| immer Dez.64 |
Ax an Masse -> Binär 0 Ax an VDD -> Binär 1 |
0 | ||||||
| Bsp.: A0-A2 an Masse | ||||||||
| 0 | 1 | 0 | 0 | 0 | 0 | 0 | 0 | Binär |
| 128 | 64 | 32 | 16 | 8 | 4 | 2 | 1 | Dezimal |
| Adresse = 64 + 0 = 64 | ||||||||
Reg:
| PCF8574 | ||||||||
| P7 | P6 | P5 | P4 | P3 | P2 | P1 | P0 | |
| 7 | 6 | 5 | 4 | 3 | 2 | 1 | 0 | Bit |
| 128 | 64 | 32 | 16 | 8 | 4 | 2 | 1 | Dezimal |
| P0-P3 als Eingang: | ||||||||
| 0 | 0 | 0 | 0 | 1 | 1 | 1 | 1 | Binär |
| Reg = 1+2+4+8=15 | ||||||||
Programmierung mit LabVIEW:
![]() |
| VI Downloadfür den DirektmodusProgramm wird über LabVIEW gestartet. Das Programm bleibt auf dem Computer und wird nicht auf den NXT übertragen. Der NXT muss mit dem Computer verbunden bleiben. |
| Eingänge NXT Verbindung um den Programmablauf festzulegen Port (Port(1)) Port an dem der Sensor angeschlossen ist. Standard ist Port 1. Ausgänge NXT Verbindung um den Programmablauf festzulegen 0-9 TRUE (jeweiliger Taster ist betätigt); FALSE (jeweiliger Taster ist nicht betätigt) ein Tatser 0-9 betätigt? TRUE (ein Zahlentaster ist betätigt); FALSE (kein Zahlentaster ist betätigt) Abbrechen TRUE (S11 ist betätigt); FALSE (S11 ist nicht betätigt) Korrektur TRUE (S12 ist betätigt); FALSE (S12 ist nicht betätigt) Bestätigung TRUE (S13 ist betätigt); FALSE (S13 ist nicht betätigt) |
Ich kann keinerlei Haftung für die Schaltungen übernehmen und auch keine Funktionsfähigkeit garantieren. Der Nachbau und Einsatz der hier veröffentlichten Schaltungen erfolgt auf eigene Gefahr. Ich übernehme keinerlei Garantie. Die VDE-Vorschriften sind zu beachten.




