Stempelmachine mit Zweihandverriegelung:

Zweihandverriegelung
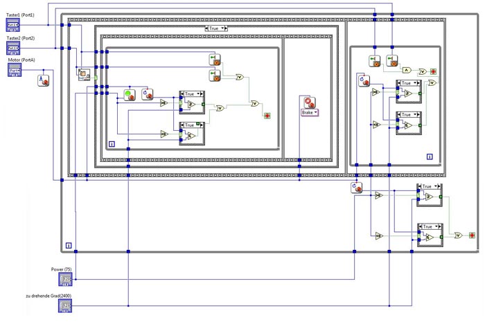
Programmierung (in LabVIEW 2009)
Fotos
ohne Lego mindstorms nxt
Zweihandverriegelung
- Taster S1 und S2 müssen innerhalb von 0,1 Sekunden betätigt werden
- wird nur ein Taster betätigt stempelt die Maschine nicht
- werden beide Taster dauernd betätigt (z.B. feststellen mit Klebeband) stempelt die Maschine nicht
- werden ein oder beide Taster beim stempeln losgelassen hält die Maschine an
- nach einem Stempelvorgang bleibt der Stempel in seiner Ausgangsposition stehen. Erst wenn beide Taster losgelassen wurden und S1 und S2 erneut innerhalb von 0,1 Sekunden betätigt wurden wird ein weiterer Durchgang ausgeführt
-
weitere Funktionen:
- Abfrage mit Lichtsensor ob Papier eingelegt ist
- Kompressor automatisch aus/ an
Programmierung (in LabVIEW2009)
- nxt muss mit Computer verbunden sein
- Hauptprogramm muss über LabVIEW gestartet und beendet werden
Download (Hauptprogramm und SubVI's; Größe: 43kB)
- Hauptprogramm
![]() |
- SubVI ermittelt Zeit innerhalb der Taster S1 und S2 betätigt wurde
![]() |
![]() |
- SubVI Zweihandverriegelung
![]() |
![]() |





