Lego City Weiche elektrisch manuell oder über mindstorms NXT umschalten:
|
Get the Flash Player to see this player.
|
|
Weichenumbau
|
Get the Flash Player to see this player.
|
| Damit sich die Weiche leichter umstellen lässt, wird die "Feder" entfernt | |
![]() |
![]() |
| Auseinanderbau | |
![]() |
|
| vorher | nachher |
![]() |
![]() |
| Zusammenbau | |
| Motor (Elektromotor Xdrive Gm12f-N20vs-2) in Lego | |
![]() |
![]() |
![]() |
![]() |
| elektrische Schaltung in Lego | |
![]() |
![]() |
![]() |
![]() |
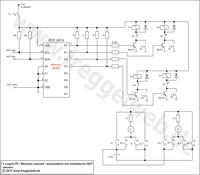
Schaltplan
![]() |
|
| Schaltplan |
Programmierung mit NXT-G:
|
Download I2C- Block: www.quantumtorque.com www.teamhassenplug.org Block in NXT-G importieren |
| Bsp: Weiche schaltet um, wenn left-, right Button auf dem NXT betätigt wird. | |
![]() |
|
![]() |
Parameter "Address" und "Reg" ermitteln |
![]() |
|
![]() |
Parameter "Address" und "Reg" ermitteln |
Address ermitteln:
| PCF8574 | ||||||||
| fester Bereich | variabler Bereich | |||||||
| 0 | 1 | 0 | 0 | A2 | A1 | A0 | R/W | Adresse |
| 7 | 6 | 5 | 4 | 3 | 2 | 1 | 0 | Bit |
| 128 | 64 | 32 | 16 | 8 | 4 | 2 | 1 | Dezimal |
| immer Dez.64 |
Ax an Masse -> Binär 0 Ax an VDD -> Binär 1 |
0 | ||||||
| Hier: A0-A2 an Masse | ||||||||
| 0 | 1 | 0 | 0 | 0 | 0 | 0 | 0 | Binär |
| 128 | 64 | 32 | 16 | 8 | 4 | 2 | 1 | Dezimal |
| Adresse = 64 + 0 = 64 | ||||||||
Reg ermitteln:
| PCF8574 | ||||||||
| P7 | P6 | P5 | P4 | P3 | P2 | P1 | P0 | |
| 7 | 6 | 5 | 4 | 3 | 2 | 1 | 0 | Bit |
| 128 | 64 | 32 | 16 | 8 | 4 | 2 | 1 | Dezimal |
| 1 | 1 | 1 | 1 | 1 | 0 | 1 | 1 | Binär 1 |
| 1 | 1 | 1 | 1 | 0 | 1 | 1 | 1 | Binär 2 |
|
P4-P7 sind nicht belegt.
Im Beispiel ändert sich P2 oder P3. Reg1 = 128+64+32+16+8+0+2+1 = 251 Reg2 = 128+64+32+16+0+4+2+1 = 247 |
||||||||
Programmierung mit LabVIEW:
| Bsp: Weiche schaltet um, wenn left-, right Button auf dem NXT betätigt wird. | |
![]() |
|
| VI | |
| Sub VI | |
![]() |
|
![]() |
Parameter "Address" und "Reg" ermitteln |
Ich kann keinerlei Haftung für die Schaltungen übernehmen und auch keine Funktionsfähigkeit garantieren. Der Nachbau und Einsatz der hier veröffentlichten Schaltungen erfolgt auf eigene Gefahr. Ich übernehme keinerlei Garantie. Die VDE-Vorschriften sind zu beachten.





















